產品介紹
咨詢服務熱線:13957717877
產品概述
資料下載
相關產品
相關資訊


CFJ65LE系列漏電斷路器產品優勢: |
1、增強安全防護: 通過漏電保護功能,降低人身觸電和因漏電引發火災的風險,為用電安全提供重 要保障。 |
2、保護功能: 單一設備同時解決漏電、過載、短路三大常見電路故障隱患,簡化系統設計。 |
3、配置靈活便捷: 支持單獨使用或與CFJ65系列斷路器組合,方便用戶根據實際保護需求構建經濟、高 效的配電保護方案。 |
4、適用場景廣泛: 其電氣參數和防護特性使其能夠很好地滿足從家庭到工業、從照明到動力等多種常見 低壓用電場合的安全保護需求。 |
5、可靠運行: 在滿足正常工作條件下,能穩定執行線路的通斷操作,提供可靠的保護。 |
CFJ65LE系列漏電斷路器產品特點: |
1、多重保護集成: - 集漏電保護(防人身觸電及設備漏電)、過載保護、短路保護功能于一體,提供較 為的電路安全保障。 |
2、靈活安裝方式: - 既可以作為獨立的保護單元單獨使用,也能與同系列的CFJ65斷路器進行組合安 裝。這種組合方式能夠構建出功能更加完善的用電保護系統,滿足不同應用場景的需 求。 |
3、廣泛的適用性: - 其設計充分考慮了多種用電環境的需求,具有較好的通用性。 |
4、補充防護功能: - 特別針對人身觸電和漏電風險提供專門的防護,是對基本斷路器保護功能的有力補 充。 |
CFJ65LE系列漏電斷路器產品應用: |
CFJ65LE系列漏電斷路器適用于對人身安全及線路設備漏電防護有較高要求的各類低 壓配電場所,典型應用場景包括: |
- 現代居家住宅: 家庭配電箱、入戶總開關或分路開關。 |
- 寫字樓與商業建筑: 辦公室、商鋪的配電回路。 |
- 工業環境: 工廠車間、倉庫的動力或照明配電線路。 |
- 公共場所: 如學校、醫院、商場、酒店、場館等的配電系統。 |
- 照明線路: 各類需要加強安全防護的照明電路。 |

CFJ65LE系列漏電斷路器型號說明: |
|
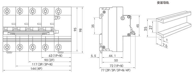
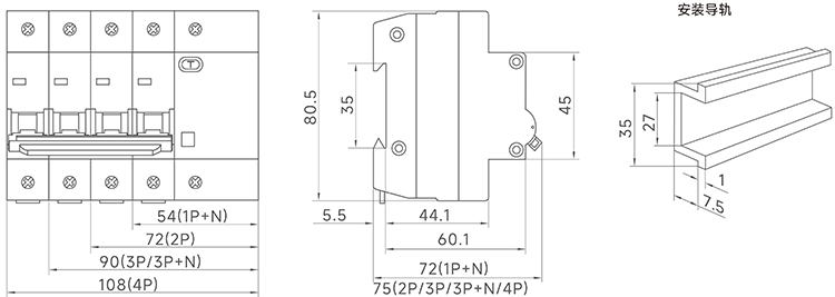
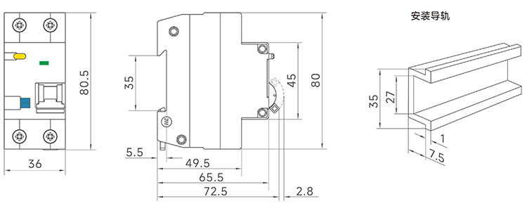
CFJ65LE系列漏電斷路器產品尺寸: |
CFJ65LE-63-1PN尺寸 |
|
CFJ65LE-63尺寸 |
|
CFJ65LE-100 |
|
CFJ65LE系列漏電斷路器技術參數: |
| 型號 | 額定工作電壓V | Poles | 額定工作電流A | 額定短路 分斷能力kA | 額定漏電 動作電流mA | 額定漏電 不動作電流mA | 漏電動作 時間s |
| CFJ65LE-63/1PN | 230V | 單兩線(1PN) | 6\10\16 20\25\32 40\50\63 | 4 | 30 | ≤15 | ≤0.1 |
| CFJ65LE-63 | 230V | 單兩線(1P+N) 雙兩線(2P) | 6\10\16\20\25\ 32\40\50\63 | 4 | 30 | ≤15 | ≤0.1 |
| 400V | 三三線(3P) 三四線(3P+N) 四四線(4P) | ||||||
| CFJ65LE-100 | 230V | 單兩線(1P+N) 雙兩線(2P) | 63\80\ 100 | 6 | 100 | ≤50 | ≤0.1 |
| 400V | 三三線(3P) 三四線(3P+N) 四四線(4P) |
下一個:CFJ65-100 小型斷路器
優惠券
我們的微信
13957717877
13957796089